Сифон для раковины Vimarr Drainage в цвете розовое золото, представляет собой лучшее сочетание между ценой и качеством. Произведенный на европейской платформе, сифон помогает организовать ванную комнату как в простом, так и в элегантном стиле.
Из преимуществ стоит выделить ключевые особенности: Легкость в установке и обслуживании, а также, сверхпрочные материалы.
Легкая сборка и монтаж. Сборка и монтаж сифона выполняется за несколько минут.
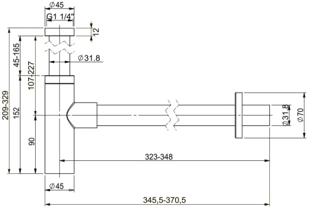
Регулировка по высоте и длине. Благодаря регулировке по высоте и длине, установка изделия помогает адаптировать его для нестандартных санузлов.
Гидрозатвор. Сифоны для раковины Vimarr оснащены гидрозатвором, предотвращающим проникновение неприятных запахов из канализации.
Разборная конструкция. Позволяет без проблем разобрать сифон и прочистить или извлечь из него мелкие предметы.
Высокая пропускная способность от 32 л/мин.
Латунный высокопрочный состав. Устойчив к высоким температурам, коррозии и повреждениям. Специальное защитное покрытие препятствует скоплению грязи и отложений, способствующих засорению изделия.
Комплект поставки:
Из преимуществ стоит выделить ключевые особенности: Легкость в установке и обслуживании, а также, сверхпрочные материалы.
Легкая сборка и монтаж. Сборка и монтаж сифона выполняется за несколько минут.
Регулировка по высоте и длине. Благодаря регулировке по высоте и длине, установка изделия помогает адаптировать его для нестандартных санузлов.
Гидрозатвор. Сифоны для раковины Vimarr оснащены гидрозатвором, предотвращающим проникновение неприятных запахов из канализации.
Разборная конструкция. Позволяет без проблем разобрать сифон и прочистить или извлечь из него мелкие предметы.
Высокая пропускная способность от 32 л/мин.
Латунный высокопрочный состав. Устойчив к высоким температурам, коррозии и повреждениям. Специальное защитное покрытие препятствует скоплению грязи и отложений, способствующих засорению изделия.
Комплект поставки:
- 1 x сифон для раковины (цвет розовое золото);
- 1 x инструкция по монтажу и эксплуатации;
- 1 x гарантийный талон.
Документы и инструкции
Паспорт изделия
873,1 кб
r88t34cmhkxitsga6rf0s6ta10detb26
172,7 кб
Внешний вид
Цвет (Ф)
Золотистый
Исполнение
Код товара
372618
Серия
Drainage
Наличие отвода (Ф)
1
Регулировка по высоте (Ф)
да
Поверхность Ф
глянцевая
Гидрозатвор (Ф)
Есть
Комплектация (Ф)
1 x сифон для раковины, 1 x инструкция по монтажу и эксплуатации, 1 x гарантийный талон.
Тип (Ф)
Сифон сливной
Назначение (Ф)
для раковины
Цвет
Золотистый
Высота (см) (Ф)
20.9
Глубина (см) (Ф)
34.6
Дизайн (Ф)
современный
Страна бренда (Ф)
Нидерланды, Польша
Гарантия (лет) (Ф)
5
Назначение сифона (Ф)
Для кухонной мойки, Для раковины
Материал сифона (Ф)
Латунь
Диаметр слива сифона, см (Ф)
3.2
Подключение к канализац. трубе, см (Ф)
3.2
Вид сифона (Ф)
Бутылочный
Вид затвора (Ф)
Мокрый затвор
Донный клапан в сифоне (Ф)
Приобретается отдельно
Количество отводов (Ф)
1
Направление выпуска сифона (Ф)
Боковое (горизонтальное)
Пропускная способность, л/мин (Ф)
32
Стандарт диаметра слива (Ф)
1 1/4"
Область применения (Ф)
бытовая
Модель (Похожий товар)
Vimarr Drainage 518007
Форма сифона (Ф)
Круглая
Перелив для сифона (Ф)
Нет
Подключение к стиральной/посудомоечной машине (Ф)
нет
Название цвета (Ф)
розовый;золотой
Отзывы
Оставить отзыв
Загрузка отзывов...
